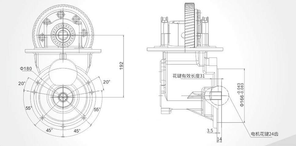
JH-192

汽车车桥

技术参数:

速比:6.5:1,7.5:1,8.5:1,9:1,10.5:1,12.5:1,17.8 :1

制动方式: 鼓式制动

允许输入扭矩:160-210N·m

JH-192

细节展示

产品图纸

JH-192.jpg

渐开线花键参数表

JH-192x.jpg

适用车型

JH-192x1.jpg